
YZS振動電機也叫做作臥式振動電機,為各類振動機械的激振源,如振動給料機、振動輸送機、振動放礦機、振動落砂機、振動篩分機,廣泛應用于電力、建材、煤炭、礦山、冶金、化工、輕工等行業。



YZS振動電機是動力源與振動源結合為一體的激振源,振動電機是在轉子軸兩端各安裝一組可調偏心塊,利用軸及偏心塊高速旋轉產生的離心力得到激振力。YZS振動電機的激振力利用率高、能耗小、噪音低、壽命長。振動電機的激振力可以無級調節,使用方便??梢詰糜谝话阏駝訖C械,如:振動破碎機、振動篩分機、振動打包機、振動造型機、振動打樁機、振動提升機、振動充填機、料倉的振動破拱防閉塞裝置等等。廣泛的應用在水電建設、火力發電、建筑、建材、化工、采礦、煤炭、冶金、輕工等領域。

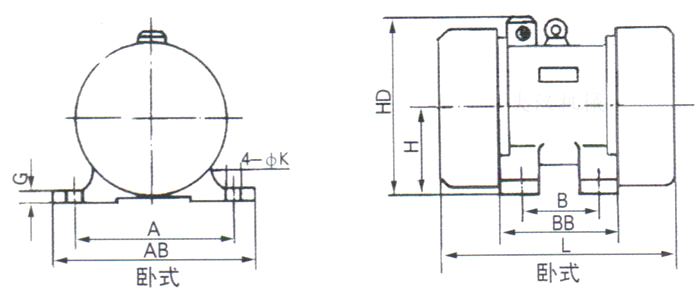
| 型 號 | 激振力(KN) | 功 率 (kw) | 電流(A) | 振頻(r/min) | 安 裝 尺 寸 | 重 量 (Kg) | |||||||||
| E | F | G | H | I | L | M | N | n | φd | ||||||
| YZS-1.5-2 | 1.5 | 0.12 | 0.36 | 3000 |
130 | 80 | 19 | 80 | 200 | 240 | 164 | 118 | 4 | 12 | 13 |
| YZS-2.5-2 | 2.5 | 0.22 | 0.66 | 130 | 80 | 19 | 80 | 200 | 240 | 164 | 118 | 4 | 12 | 14 | |
| YZS-3-2 | 3 | 0.25 | 0.75 | 150 | 90 | 21 | 90 | 220 | 250 | 185 | 124 | 4 | 14 | 20 | |
| YZS-5-2 | 5 | 0.37 | 1.11 | 150 | 90 | 21 | 90 | 220 | 270 | 185 | 124 | 4 | 14 | 21 | |
| YZS-10-2 | 10 | 0.75 | 2.25 | 180 | 110 | 27 | 112 | 238 | 335 | 225 | 155 | 4 | 18 | 31 | |
| YZS-15-2 | 15 | 1.1 | 3.3 | 220 | 140 | 32 | 125 | 265 | 370 | 272 | 190 | 4 | 22 | 47 | |
| YZS-20-2 | 20 | 1.5 | 4.5 | 260 | 150 | 40 | 140 | 320 | 452 | 344 | 234 | 4 | 26 | 68 | |
| YZS-30-2 | 30 | 2.2 | 6.6 | 310 | 170 | 57 | 170 | 365 | 505 | 400 | 270 | 4 | 33 | 107 | |
| YZS-50-2 | 50 | 3.7 | 11.1 | 350 | 220 | 52 | 200 | 425 | 600 | 450 | 313 | 4 | 39 | 210 | |
| YZS-1.0-4 | 1 | 0.09 | 0.27 | 1500 |
130 | 80 | 19 | 80 | 200 | 245 | 164 | 118 | 4 | 12 | 13 |
| YZS-1.5-4 | 1.5 | 0.12 | 0.36 | 130 | 80 | 19 | 80 | 200 | 240 | 164 | 118 | 4 | 12 | 16 | |
| YZS-3-4 | 3 | 0.18 | 0.54 | 150 | 90 | 21 | 90 | 220 | 260 | 185 | 124 | 4 | 14 | 22 | |
| YZS-5-4 | 5 | 0.25 | 0.75 | 180 | 110 | 27 | 112 | 238 | 335 | 225 | 155 | 4 | 18 | 32 | |
| YZS-10-4 | 10 | 0.55 | 1.65 | 220 | 140 | 32 | 125 | 265 | 370 | 272 | 190 | 4 | 22 | 49 | |
| YZS-15-4 | 15 | 0.75 | 2.25 | 260 | 150 | 42 | 140 | 320 | 452 | 344 | 234 | 4 | 26 | 76 | |
| YZS-20-4 | 20 | 1.1 | 3.3 | 260 | 150 | 42 | 140 | 320 | 452 | 344 | 234 | 4 | 26 | 82 | |
| YZS-30-4 | 30 | 1.5 | 4.5 | 310 | 170 | 57 | 170 | 365 | 505 | 400 | 270 | 4 | 33 | 117 | |
| YZS-50-4 | 50 | 2.2 | 6.6 | 350 | 220 | 33 | 190 | 425 | 600 | 450 | 313 | 4 | 33 | 219 | |
| YZS-75-4 | 75 | 3.7 | 11.1 | 380 | 250 | 35 | 220 | 500 | 670 | 480 | 350 | 4 | 39 | 360 | |
| YZS-1.5-6 | 1.5 | 0.12 | 0.36 | 1000 |
150 | 90 | 21 | 90 | 220 | 270 | 185 | 124 | 4 | 14 | 22 |
| YZS-3-6 | 3 | 0.25 | 0.75 | 180 | 110 | 27 | 112 | 238 | 335 | 225 | 155 | 4 | 18 | 35 | |
| YZS-5-6 | 5 | 0.37 | 1.11 | 220 | 140 | 32 | 125 | 265 | 370 | 272 | 190 | 4 | 22 | 50 | |
| YZS-10-6 | 10 | 0.75 | 2.25 | 260 | 150 | 42 | 140 | 320 | 452 | 344 | 234 | 4 | 26 | 82 | |
| YZS-15-6 | 15 | 1.1 | 3.3 | 310 | 170 | 57 | 170 | 365 | 505 | 400 | 270 | 4 | 33 | 125 | |
| YZS-20-6 | 20 | 1.5 | 4.5 | 310 | 170 | 57 | 170 | 365 | 505 | 400 | 270 | 4 | 33 | 130 | |
| YZS-30-6 | 30 | 2.2 | 6.6 | 350 | 220 | 33 | 190 | 425 | 600 | 450 | 313 | 4 | 39 | 190 | |
| YZS-40-6 | 40 | 3 | 9 | 350 | 220 | 35 | 190 | 425 | 600 | 450 | 313 | 4 | 39 | 190 | |
| YZS-50-6 | 50 | 3.7 | 11.1 | 380 | 250 | 35 | 210 | 465 | 670 | 480 | 350 | 4 | 45 | 300 | |
| YZS-75-6 | 75 | 5.5 | 16.5 | 440 | 250 | 35 | 220 | 500 | 730 | 480 | 350 | 4 | 45 | 400 | |
| YZS-100-6 | 100 | 7.5 | 22.5 | 440 | 280 | 40 | 240 | 550 | 750 | 570 | 450 | 4 | 45 | 420 | |
| YZS-125-6 | 125 | 8.5 | 25.5 | 440 | 280 | 40 | 240 | 550 | 750 | 570 | 450 | 4 | 45 | 468 | |
環境溫度:不超過400C
?!“?不超過1000米
電 壓:380V
頻 率:50HZ
接 法:Y
絕緣等級:B級
工作方式:連續
安裝方式:任意方向



1.保修期內非因操作不當造成需要更換的零配件及設備由我廠負責包修、包換。
2.質量保證期結束后,我廠將繼續免費提供售后服務,不限年份終身服務,僅收取零部件成本費,免收人工費,免收維修費。
為了向您提供完善的售后服務,請將您的寶貴意見、建議及要求反饋給我廠。我們感謝貴單位使用我廠的產品,我廠建立有完整的營銷網絡及完善的售后服務體系,售后服務部已將您購買的產品建立了信息檔案。如果您購買的產品出現質量問題,我們將及時為您提供全方位的服務。